Описание
ТЕХНИЧЕСКИЕ ДАННЫЕ МАТЕРИАЛОВ ИЗДЕЛИЙ
НОМЕНКЛАТУРА и ОБОЗНАЧЕНИЯ ГИДРОШПОНОК
ВОЗМОЖНЫЕ ВИДЫ СОЕДИНЕНИЙ ГИДРОШПОНОК
| ОБЛАСТЬ ПРИМЕНЕНИЯ | Герметизация деформационных швов при строительстве заглубленных и подземных сооружений. Восстановление герметизации деформационных швов существующих конструкций. |
МАТЕРИАЛ: РЕЗИНА
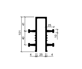
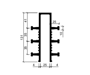
| ДЗ-100/25-4/25 | ДЗ-130/25-6/25 |
![]() | ![]() |
МАТЕРИАЛ: ПВХ-П
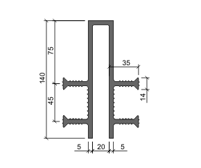
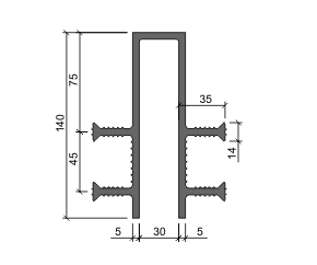
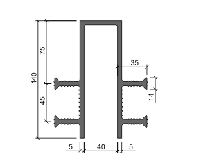
| ДЗ-140/20-4/35 | ДЗ-140/30-4/35 |
![]() | ![]() |
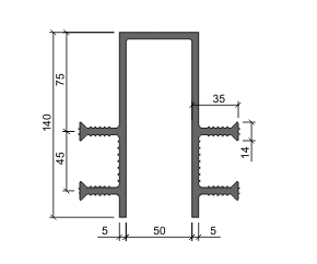
| ДЗ-140/40-4/35 | ДЗ-140/50-4/35 |
![]() | ![]() |
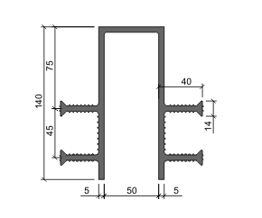
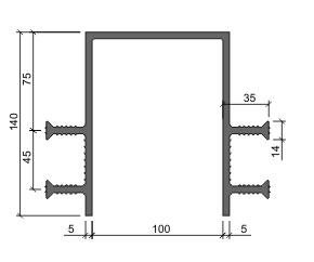
| ДЗ-140/50-4/40 | ДЗ-140/100-4/35 |
![]() | ![]() |
| МОНТАЖНАЯ СХЕМА | ![]() | ||||||||||||||||||||||||||||||||||||||||||||||||||||||||||||||||||||||
| ТЕХНИЧЕСКИЕ ХАРАКТЕРИСТИКИ |
| ||||||||||||||||||||||||||||||||||||||||||||||||||||||||||||||||||||||
| ТЕХНИЧЕСКИЕ ДАННЫЕ МАТЕРИАЛА | Вы можете посмотреть здесь | ||||||||||||||||||||||||||||||||||||||||||||||||||||||||||||||||||||||
| СЕРТИФИКАТЫ | Санитарно-эпидемиологическое заключение N 40.01.05.577.П.000725.08.09 от 19.08.2009 г. Сертификат соответствия Госстроя России N POCC RU.АИ09.Н00327 от 11.02.2010 г. | ||||||||||||||||||||||||||||||||||||||||||||||||||||||||||||||||||||||
| ХРАНЕНИЕ | Изделия следует хранить в закрытых помещениях при температуре не выше 30 °С, без воздействия деформирующих нагрузок, прямых солнечных лучей, защищенными от попадания на них нефтепродуктов и органических растворителей. | ||||||||||||||||||||||||||||||||||||||||||||||||||||||||||||||||||||||
| УПАКОВКА | Резиновые шпонки — бухты по 30 пог.м. ПВХ-П шпонки — бухты по 20 пог.м. По согласованию возможна поставка бухт необходимой потребителю длины. | ||||||||||||||||||||||||||||||||||||||||||||||||||||||||||||||||||||||










