Описание
ТЕХНИЧЕСКИЕ ДАННЫЕ МАТЕРИАЛОВ ИЗДЕЛИЙ
НОМЕНКЛАТУРА и ОБОЗНАЧЕНИЯ ГИДРОШПОНОК
ВОЗМОЖНЫЕ ВИДЫ СОЕДИНЕНИЙ ГИДРОШПОНОК
| ОБЛАСТЬ ПРИМЕНЕНИЯ | Герметизация деформационных швов при строительстве заглубленных и подземных сооружений. |
МАТЕРИАЛ: РЕЗИНА
| ДО-220/25-4/25 | ![]() |
| ДО-270/25-6/25 | ![]() |
МАТЕРИАЛ: ПВХ-П
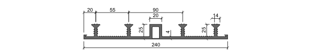
| ДО-240/20-4/25 | ![]() |
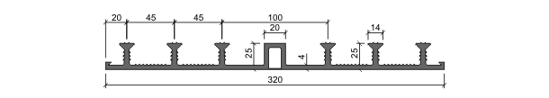
| ДО-320/20-6/25 | ![]() |
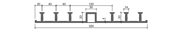
| ДО-320/30-6/30 | ![]() |
| ДО-320/40-6/30 | ![]() |
| ДО-320/50-6/30 | ![]() |
| ДО-400/50-6/30 | По предварительному заказу
|
| ДО-500/50-6/30 | По предварительному заказу
|
| МОНТАЖНАЯ СХЕМА | ![]() | ||||||||||||||||||||||||||||||||||||||||||||||||||||||||||||||||||||||||||||
| ТЕХНИЧЕСКИЕ ХАРАКТЕРИСТИКИ |
| ||||||||||||||||||||||||||||||||||||||||||||||||||||||||||||||||||||||||||||
| ТЕХНИЧЕСКИЕ ДАННЫЕ МАТЕРИАЛА | Вы можете посмотреть здесь | ||||||||||||||||||||||||||||||||||||||||||||||||||||||||||||||||||||||||||||
| СЕРТИФИКАТЫ | Санитарно-эпидемиологическое заключение N 40.01.05.577.П.000725.08.09 от 19.08.2009 г. Сертификат соответствия Госстроя России N POCC RU.АИ09.Н00327 от 11.02.2010 г. | ||||||||||||||||||||||||||||||||||||||||||||||||||||||||||||||||||||||||||||
| ХРАНЕНИЕ | Изделия следует хранить в закрытых помещениях при температуре не выше 30 °С, без воздействия деформирующих нагрузок, прямых солнечных лучей, защищенными от попадания на них нефтепродуктов и органических растворителей. | ||||||||||||||||||||||||||||||||||||||||||||||||||||||||||||||||||||||||||||
| УПАКОВКА | Резиновые шпонки — бухты по 30 пог.м. ПВХ-П шпонки — бухты по 20 пог.м. По согласованию возможна поставка бухт необходимой потребителю длины. | ||||||||||||||||||||||||||||||||||||||||||||||||||||||||||||||||||||||||||||











