Описание
ТЕХНИЧЕСКИЕ ДАННЫЕ МАТЕРИАЛОВ ИЗДЕЛИЙ
НОМЕНКЛАТУРА и ОБОЗНАЧЕНИЯ ГИДРОШПОНОК
ВОЗМОЖНЫЕ ВИДЫ СОЕДИНЕНИЙ ГИДРОШПОНОК
| ОБЛАСТЬ ПРИМЕНЕНИЯ | Герметизация деформационных швов при строительстве заглубленных и подземных сооружений при сопряжении с существующими конструкциями. |
МАТЕРИАЛ: ПВХ-П
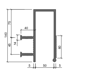
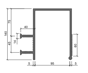
| ДЗС-140/50-2/40 | ДЗС-140/100-2/40 |
![]() | ![]() |
| МОНТАЖНАЯ СХЕМА | ![]() | ||||||||||||||||||||||||||||
| ТЕХНИЧЕСКИЕ ХАРАКТЕРИСТИКИ |
| ||||||||||||||||||||||||||||
| ТЕХНИЧЕСКИЕ ДАННЫЕ МАТЕРИАЛА | Вы можете посмотреть здесь | ||||||||||||||||||||||||||||
| СЕРТИФИКАТЫ | Санитарно-эпидемиологическое заключение N 40.01.05.577.П.000725.08.09 от 19.08.2009 г. Сертификат соответствия Госстроя России N POCC RU.АИ09.Н00327 от 11.02.2010 г. | ||||||||||||||||||||||||||||
| ХРАНЕНИЕ | Изделия следует хранить в закрытых помещениях при температуре не выше 30 °С, без воздействия деформирующих нагрузок, прямых солнечных лучей, защищенными от попадания на них нефтепродуктов и органических растворителей. | ||||||||||||||||||||||||||||
| УПАКОВКА | ПВХ-П шпонки — бухты по 20 пог.м. По согласованию возможна поставка бухт необходимой потребителю длины. | ||||||||||||||||||||||||||||






