Описание
Кровельные обогреваемые ремонтные воронки Fachmann серии VMRO с листвоуловителем и прижимным фланцем применяются при устройстве и проведении ремонтных процедур кровель, имеющих системы водослива с пластмассовыми, чугунными, либо стальными трубами. Материал и конфигурация манжеты обеспечивают герметичность соединения воронки с водосливной трубой, несмотря на остаточное загрязнение контактирующей поверхности трубы.
Предназначены для сбора и отведения сточных дождевых и талых вод с поверхности кровель. Листвоуловитель позволяет предотвратить попадание веток, листьев и прочего мусора в ливневую канализацию.
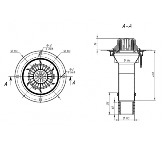
Воронка состоит из следующих деталей:
- Листвоуловитель из полипропилена
- Корпус воронки из полипропилена, диаметром 110 мм
- Прижимной фланец из металлического сплава
- Переход ремонтный из полипропилена
- Гайка-барашек из нержавеющей стали в кол-ве 6 шт.
- Нагревательный элемент
- Обод-фиксатор нагревательного элемента
- Саморегулирующийся кабель «EASTEC» мощностью 30 Вт и длиной не менее 1,5 м.
Технические характеристики:
- Выходной диаметр: 110 мм
- Высота выпускного патрубка: 450 мм
- Диаметр приемной воронки: 356 мм
- Пропускная способность, не менее: 10 л/с
- Напряжение: 220÷230 В
- Теплоотдача кабеля, не более: 30 Вт/м
- Длина соединительного кабеля, не менее: 1,5 м (3х1,5 мм)
- Температура окружающей среды: от -50 °С до +90 °С
- Температура отводящей жидкости: не более +85 °С
- Материал корпуса: полипропилен





